english
DT(G) series copper lugs are suitable for the connection of wires in distribution equipment power supply cable with electronic apparatus.It is made of copper tube by die cast and coated tin.
1. Have a viewing window to check the location of the conductor.
2. Cable area is identified clearly on the lug

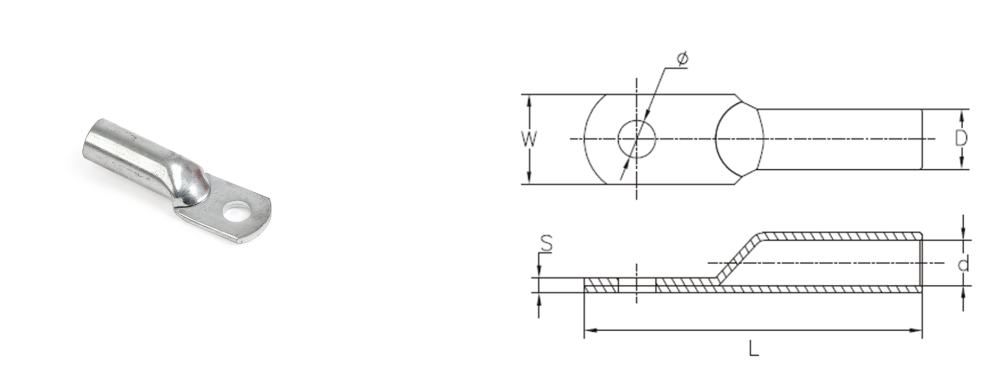
Type | φ±0.5 | D±0.5 | d±0.5 | L±2 | W±0.5 | S±0.5 |
DT(G)-10 | 8 | 8 | 5.8 | 50 | 11.3 | 2.2 |
DT(G)-16 | 8 | 9 | 6.5 | 55 | 12.7 | 2.5 |
DT(G)-25 | 8 | 10 | 7.6 | 62 | 14.2 | 2.5 |
DT(G)-35 | 10 | 11 | 8.5 | 66 | 16 | 2.5 |
DT(G)-50 | 10.5 | 13 | 10 | 70 | 18.5 | 2.7 |
DT(G)-70 | 12.5 | 16 | 12 | 80 | 23 | 4 |
DT(G)-95 | 12.5 | 18 | 14 | 87 | 26 | 4 |
DT(G)-120 | 14.5 | 20 | 15.5 | 96 | 29 | 4.5 |
DT(G)-150 | 14.5 | 22 | 17.5 | 101 | 32 | 4.5 |
DT(G)-185 | 16.5 | 24 | 19 | 113 | 35 | 5 |
DT(G)-240 | 16.5 | 26 | 21 | 116 | 38 | 5 |
DT(G)-300 | 16.5 | 30 | 24 | 133 | 43 | 6 |
DT(G)-400 | 18.5 | 33 | 26 | 153 | 47.5 | 7 |
DT(G)-500 | 20.5 | 40 | 31.7 | 170 | 58 | 8.5 |
DT(G)-630 | 20.5 | 45 | 36 | 210 | 65 | 9.2 |

